产品图纸

产品参数
| Performance parameters | ||||||||
| MODEL/SPEC. | Angular travel of clamping jaw U(deg) | Radial travel of clamping jaw-height h(mm) | Back pull travel V(mm) | Axial travel of piston (mm) | Compensation amount(diameter) height h(mm) | Max. clamp force (kN) | Maximum speed (r.p.m) | Eeight (kg) |
| YF3-06'' | 5° | 5 | 0.1(0.5) | 16 | ±1 | 40 | 4500 | 15.8 |
| YF3-08'' | 5° | 5 | 0.1(0.5) | 16 | ±1.5 | 60 | 4000 | 26 |
| YF3-10'' | 4° | 7 | 0.1(0.5) | 18 | ±2 | 95 | 3500 | 39.5 |
| YF3-12'' | 4° | 7 | 0.1(0.5) | 18 | ±2.5 | 98 | 2800 | 68 |
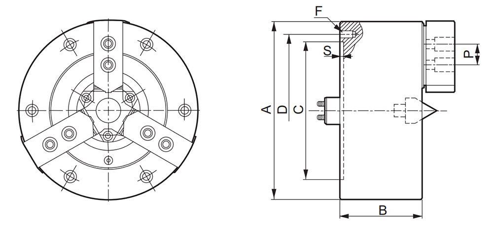
| Size parameter | |||||||||||||
| MODEL/SPEC. | A | Bf | Ba | C | E | F | W | Hf | Yf | h reference height | f | V | Ha |
| YF3-06'' | 175 | 140 | 82.563 | 104.8 | 38 | M28*105 | 25 | 85 | 5 | 50 | 27 | 0.1(0.5) | 102 |
| YF3-08'' | 212 | 170 | 106.375 | 133.4 | 38 | M32*1.5 | 25 | 105 | 5 | 55 | 33 | 0.1(0.5) | 105 |
| YF3-10'' | 250 | 220 | 139.719 | 171.4 | 48 | M38*1.5 | 25 | 108 | 5 | 70 | 33 | 0.1(0.5) | 110 |
| YF3-12'' | 315 | 220 | 139.719 | 171.4 | 48 | M38*1.5 | 25 | 108 | 5 | 70 | 33 | 0.1(0.5) | 115 |