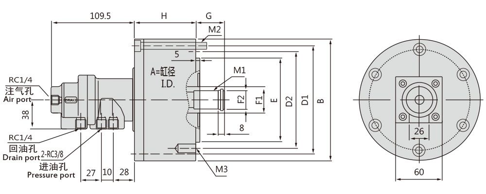
产品图纸

产品参数
| 尺寸参数(mm) | |||||||||||||
| 规格型号 | A | B | D1 | D2 | E(H7) | F1 | F2(H8) | G | H | M1 | M2 | M3 | |
| max | min | ||||||||||||
| RL-A75N | 75 | 107 | 90 | 90 | 65 | 28 | 21 | 45 | 30 | 60 | M20x35 | M8x65 | 6-M8x16 |
| RL-A100N | 100 | 132 | 115 | 100 | 80 | 28 | 21 | 45 | 25 | 77 | M20x35 | M8x80 | 6-M10x20 |
| RL-A125N | 125 | 160 | 140 | 130 | 110 | 35 | 25 | 50 | 85 | M24x40 | M8x90 | 6-M12x20 | |
| RL-A150N | 150 | 190 | 170 | 45 | 31 | 55 | 98 | M10x100 | M10x100 | 12-M12x24 | |||
| 性能参数 | ||||||||||
| 规格型号 | 活塞面积(cm²) | 活塞行程(mm) | 极限转速 (r/min) | 最大使用压力 (kgf/cm²) | 注气部最大使用压力 ( kgf/cm²(Mpa) | 最大推拉力(KN) | 惯量(kg.m²) | 重量(kg) | ||
| 推侧 | 拉侧 | 推侧 | 拉侧 | |||||||
| RL-A75N | 41.7 | 37 | 15 | 6000 | 40(4.0) | 8(0.8) | 1500(14.7) | 1330(13) | 0.02 | 4.6 |
| RL-A100N | 75.4 | 70.8 | 20 | 5000 | 2710(26.6) | 2550(25) | 0.04 | 4.8 | ||
| RL-A125N | 119.6 | 111.5 | 25 | 4300(42.1) | 4010(39.3) | 0.06 | 6.5 | |||
| RL-A150N | 173.6 | 159.2 | 30 | 6250(61.2) | 5730(56.1) | 0.1 | 10.5 | |||
| 注:回油管应单独接回油槽内,目回油口要高于油面,以免产生背压。 | ||||||||||