可选卡盘爪
(1)标准爪;(2)工字钢和槽钢爪;(3)双辊爪;
(2)爪夹持范围:10-160mm
推荐装备
从动齿轮:RY160B-00-0030从动齿轮(Mn2.5Z189)
驱动齿轮:RY160B-00-0220驱动齿轮(Mn2.5Z63),驱动齿轮可定制。
推荐减速机和电机功率
推荐减速机:鑫宝VRT-110减速机速比:5,7
推荐电机功率:2.9KW(减速机速比5),1.8KW(减速机速比7)
结构特点:
1.一体式全封闭斜齿传动结构:更高的防尘性能和运转稳定性,更久的使用寿命和更好的使用体验;
2.便捷的同心度调试锁紧组件:让终端用户也能轻松校正整机回转同心度,更强的整机精度稳定性;
3.标配卡爪张开到位感应检测:短尾料切割模式更安全,实现自动短尾料切割,降低整机碰撞风险;
4.滑块自动排屑排灰结构设计:卡盘张夹时自动排屑,减小卡顿的可能性,减低人工清理维护需求;
5.铝制本体表面氧化工艺处理:更好的耐污能力和更低的转动惯量。
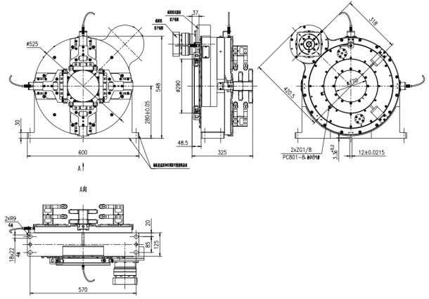
产品图纸

产品参数
| 性能参数 | |||||||
| 规格 | 外径( mm) | 通孔直径(mm) | 中心高度 (mm) | 总重量(Kg) | 惯量(K g.cm ²) | 重复定位精度 (mm) | 回转精度 (mm) |
| Φ525 | Φ170 | 280±0.05 | 180 | 30000 | ≤0.05 | ≤0.05 | |
| RY160B-00-0000 | 单爪行程( mm) | 单爪推力(KN) | 加工范围(mm) | 需用压力 (M pa) | 额定转速 (rpm) | 保压时间 (h) | 防护等级 |
| 81.5 | 1.5±10% | Φ10-φ160 | 0.3-0.9 | 150 | 12 | / | |
| 可根据管件定制相应的卡爪 | |
| 标准选项 | GB/T3094-2000冷拔异型钢管,GB/T706-2008热轧钢,GB/T17395-2008无缝钢管尺寸、形状、重量和允许偏差 |
| 卡盘型号 | RY160B 前卡 |
| 夹紧范围 | 10-160mm (规格在允许承重范围内) |
| 标准爪辊长度 | 108mm |
| 加长卡爪 | 138mm |
| 圆管 | 10-160mm |
| 方形管 | 外接圆小于160mm方管(最大方管115mm) |
| 矩形管 | 最小短边10mm,外接圆小于160mm矩形管(最大尺寸140*80) |
| 椭圆管/扁平椭圆管 | 短轴至少10mm,长轴小于160mm椭圆管 |
| 工字钢 | 带标准卡爪:最多可容纳 10 号工字钢 |
| 加长卡爪:可容纳12.6号工字钢 | |
| 槽钢 | 标准卡爪:最大夹持10号槽钢 |
| 加长卡爪:最大夹持12.6号槽钢 | |
| 等边角钢 | 标准卡爪:最大夹持等边角钢10号 |
| 其他规格的定制 | |
| 不等边角钢 | 加长卡爪:最大夹持10/8号不等角钢 |
| 其他规格的定制 | |